DUCO – Construções Sustentáveis

Tratamento de esgoto

A Duco está comprometida em fornecer soluções eficientes e inovadoras por meio da engenharia para criar sistemas de tratamento de esgoto duráveis, seguros e ecologicamente responsáveis. Ao desenvolver um projeto de tratamento de esgoto, consideramos fatores essenciais, como a eficiência no tratamento, a minimização dos impactos ambientais e a conformidade com as regulamentações aplicáveis. Nossa expertise técnica nos permite criar soluções personalizadas que atendam às necessidades específicas de cada projeto.

O que é

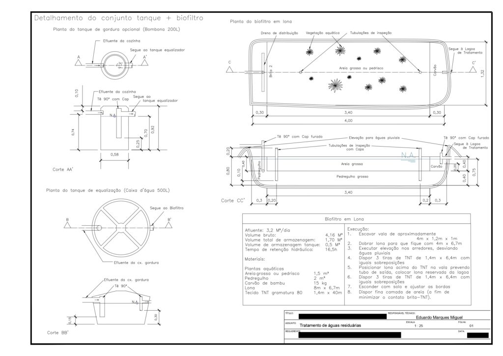
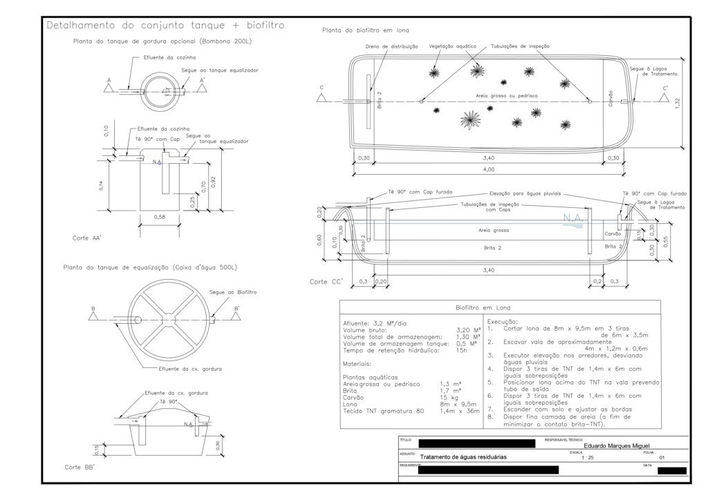
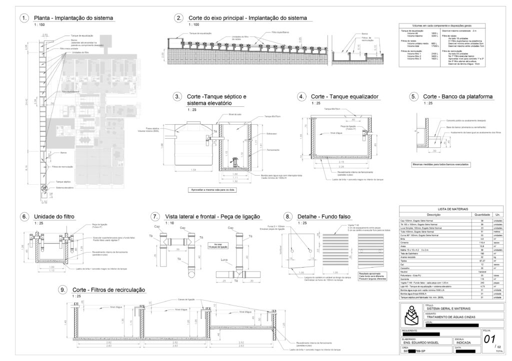
Um projeto de tratamento de esgoto é fundamental para que os efluentes sejam tratados de forma adequada antes de retornarem ao meio ambiente. Trata-se de um trabalho que envolve estudo, dimensionamento e definição das soluções mais apropriadas para cada realidade. Dependendo da demanda, o sistema pode incluir etapas físicas, biológicas e de desinfecção, sempre planejadas de acordo com o volume gerado e as características do local.

Esses projetos atendem desde residências até empreendimentos de maior porte, como instalações industriais ou sistemas públicos. Quando bem elaborado, o tratamento de esgoto reduz a carga de poluentes lançada no meio ambiente e contribui diretamente para a preservação da água disponível. O impacto é percebido não apenas na qualidade dos corpos hídricos, mas também nas condições sanitárias da região.

A gestão correta dos efluentes é uma medida de responsabilidade. Ela diminui riscos à saúde, evita contaminações e promove um ambiente mais equilibrado. Por isso, o projeto precisa ser conduzido com critério técnico e visão de longo prazo, garantindo que o sistema funcione de forma estável e compatível com a realidade do empreendimento.

(A galeria com vários de nossos projetos pode ser encontrada no final da página.)

Importância

O projeto de tratamento de esgoto tem como finalidade garantir que o efluente seja devidamente tratado antes de retornar ao meio ambiente. Isso significa reduzir sua carga poluidora e assegurar que o lançamento ocorra dentro dos parâmetros estabelecidos pelos órgãos competentes. Quando bem dimensionado, o sistema contribui diretamente para a preservação dos corpos d’água e para a proteção da saúde coletiva.

Quando não há planejamento adequado, os impactos tendem a aparecer rapidamente. A qualidade da água pode ser comprometida, afetando tanto o ambiente quanto as pessoas que dependem dele. O problema deixa de ser apenas técnico e passa a ser sanitário e ambiental.

Falhas de funcionamento, infiltrações ou contaminação do solo são consequências comuns de sistemas mal projetados. Com o tempo, essas deficiências também elevam custos de manutenção e reduzem a eficiência do tratamento. O que poderia ser uma solução permanente transforma-se em fonte contínua de preocupação.

Por isso, o projeto precisa ser conduzido com responsabilidade e conhecimento técnico. Um sistema corretamente planejado opera de forma estável, reduz riscos e assegura que o tratamento cumpra sua função ao longo dos anos, sem comprometer o equilíbrio ambiental nem gerar custos desnecessários.

Por que a DUCO?

Nossa abordagem no projeto de tratamento de esgoto parte da aplicação consciente de tecnologias atuais, aliadas à análise técnica criteriosa. Utilizamos ferramentas de modelagem e simulações específicas para compreender, ainda na fase de projeto, como o sistema irá se comportar na prática.

Esse estudo antecipado nos permite identificar pontos sensíveis antes da execução e ajustar soluções com maior precisão. Trabalhar com dados não é apenas uma etapa técnica, mas uma forma de tomar decisões mais seguras e responsáveis. Dessa maneira, conseguimos aprimorar o desempenho do sistema e utilizar os recursos de forma mais adequada à realidade de cada empreendimento.

Temos satisfação em contribuir para um futuro mais sustentável por meio de projetos inovadores de tratamento de esgoto, desenvolvidos com foco na eficiência, segurança e responsabilidade ambiental. Se você procura um escritório especializado que compartilhe sua visão de sustentabilidade e saneamento adequado, estamos preparados para atuar como parceiros na construção de soluções que geram impacto positivo para o meio ambiente e para a sociedade.

Mais sobre nosso tratamento de esgoto

error: Content is protected !!